靜力水準儀液體罐
靜力水準儀液體罐跟差壓式液壓靜力水準儀配套使用,通過測量若干個相互聯(lián)通的安裝于被測量點儲液罐液面高度與測量基點(不動點)液罐液面高度的相對變化,反推出各個儲液罐安裝位置相對位置沉降變化量的一種精密儀器。
靜力水準儀液體罐跟差壓式液壓靜力水準儀配套使用,通過測量若干個相互聯(lián)通的安裝于被測量點儲液罐液面高度與測量基點(不動點)液罐液面高度的相對變化,反推出各個儲液罐安裝位置相對位置沉降變化量的一種精密儀器。
應用領域
軌道交通路基沉降監(jiān)測
地鐵支撐墻沉降監(jiān)測
隧道上部山體及建筑物
高速公路路基、邊坡沉降檢測
橋墩、基坑沉降檢測
大壩及水利樞紐、高層建筑的基礎
核電站、大型水電站
綜合管廊沉降監(jiān)測
安裝示意圖

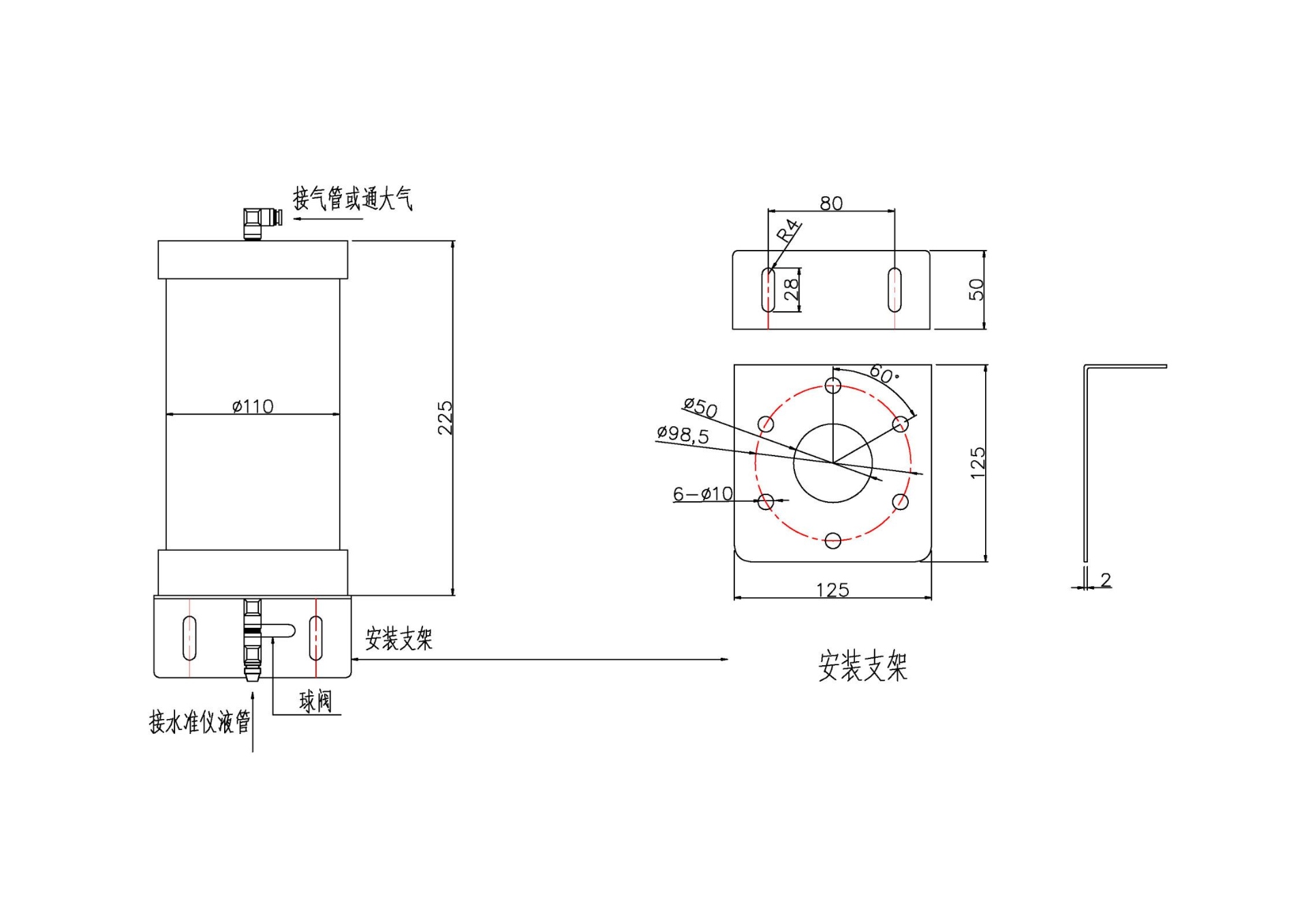
產品尺寸
靜力水準儀3#亞克力儲液灌(容量1.5L)

靜力水準儀2#不銹鋼儲液灌(容量5L)
(略)
聯(lián)系電話
微信掃一掃
